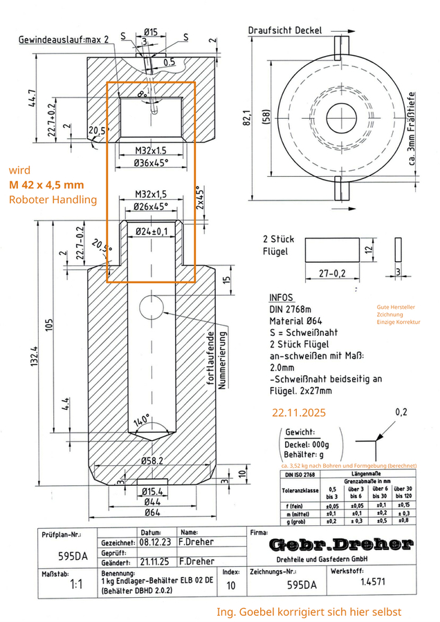
113. - Die 90 Teilgebiete 2025 BGE - Peer Review von DBHD GDF INSTITUTE PLC - Verfasser Ing. Goebel DE

 

 

 

 

 

Am 03.11.2025 (ab mittag) zeigte die BGE 25 %

 

(Minister Scheider drohte zuvor mit Schliessung)

 

 

 

DBHD Endlager braucht nur 0,000018 % 

 

der Fläche Deutschlands - Ing. Goebel

 

 

 

 

 

 

         
Bisherige Ergebnisse Standort-Auswahl für Endlager in Deutschland
         
         
Datum Vorgang Fläche BRD Kommentar Kommentar
         
03.11.2025 90  Teilgebiete 25 %

Zwischenbericht

illegal ! wg, Tiefen-Grenze

im eigenen BGE Ermessen

         
04.11.2024 90  Teilgebiete 44 % Zwischenbericht

illegal ! wg, Tiefen-Grenze

im eigenen BGE Ermessen

         
18.10.2020 Teilgebiete-Karte 54 % Zwischenbericht

illegal ! wg, Tiefen-Grenze

im eigenen BGE Ermessen

         
         
         
DBHD (6 Stück) 0,66 km2 Gesamt 0,00018 % 17.09.2022

Bestmöglich nach 11 Jahren

Standort-Auswahl Ing. V. G.

         
         

 

 

 

 

>>> Die nicht lernfähige BGE mbH will Ihr nächstes nasses NICHT ENDLAGER Bau-Disaster im Opalinus-Bröckelton "bei Ulm" beginnen !? Die nagra Gelder ? wirken. 170 Mrd. EUR Kosten (Quelle ZEIT) für 30 Jahre erbitterten Streit und ein weiteres unbrauchbares Bau-Disaster.

 

 

 

Was Sie hier sehen ist eine sehr schräg verlaufende 300 m Schicht dünnschichtigen

Bröckel-Ton in ca. 800 m Tiefe. - Die nagra fand nur 99 m schrägen Tonstein nebenan.

Die Schweizer haben aber ein sehr gigantisches Werbe-Budget und laden gerne ein.

 

 

 

 

 

 

 

 

 

 

 

 

 

 

 

 

 

 

>>> Das zuvor als grün = geeignet eingestufte Gebiet "Bei Beverstedt" ist nun grau und weiss - also "in Bearbeitung" und "Raus" ! Die BGE schädigt Deutschland ! und den Wettbewerber DBHD Endlager. Dort ist die Geologie nur tiefer als die BGE sich das wünscht (Die Karte lügt also !) - Was sie hier sehen sind 6.200 m Salz unter 1.100 m Sediment-Gestein-Überdeckung.

 

 

Mit der in 2020 "im eigenen Ermessen" eingezogenen Tiefengrenze verhindert die BGE sicheres Endlager zugunsten von :untief, nass, nicht gasdicht verschliessbar, - also der unbrauchbaren BGE Bauweise Generation 1 aus den 50 ziger Jahren.

 

 

 

 

 

 

 

 

 

 

 

 

 

Der Wert dieser Karte  ist SEHR ZWEIFELHAFT, weil die BGE mbH eine "im eigenen Ermessen" erfundene Tiefengrenze verwendet ! ILLEGAL - nicht Stand AG konform !

 

https://www.ndr.de/nachrichten/niedersachsen/braunschweig_harz_goettingen/atommuell-endlager-norddeutschland-kommt-noch-grossflaechig-infrage,endlager-114.html

 

 

04.11.2025 - Ing. Goebel - hat auch schon 11 Jahre Standort-Suche für Endlager geleistet.

 

 

 

 

 

 

 

 

 

 

 

 

Die NICHT-Bauplaner bei BGE, BMUKN, BGZ machen ja immer alles sooooo richtig.

 

Fragt sich warum immer nur nasse, nicht gasdichte Bau-Disaster dabei rauskommen ?

 

 

Keiner von den könnte eine Garage planen, zeichnen und richtig beantragen, aber

 

das grösste Infrastruktur-Bauwerk der Republik wollen Sie können - Lächerlich !!!

 

 

Endlager ist ein Bauwerk ohne historisches Vorbild, und muss von den Fachleuten

 

definiert werden, die für alles Gebaute verantwortlich sind - den Architektur-

 

Planern - Aber diese Juristen, Strahlenschützer, Landwirtschafts-Ingenieurinnen

 

dilletieren da zu apokalyptischen Kosten munter vor sich hin - und immer wird

 

gelogen das sich die Balken biegen. - Ing. Goebel war mal in einem Ministerium

 

um Endlager vorzustellen - der Gegenüber verstand offenbar gar nichts - später

 

stelle sich heraus, er war Luftfahrt-Ingenieur, und wurde auf die Stelle gesetzt

 

weil man Ihm nicht kündigen konnte - an diesem Dilemma ist die BRD erkrankt.

 

 

 

 

 

 

 

Frau Graffunder - bitte lesen Sie im EU Gesetz und erzählen Sie nicht öffentlich solchen Unsinn !!!

 

Dieses EU Gesetz ist die Grundlage der Endlagerung -  das Stand AG ist nur eine Miss-Interpretation

 

eines Rotwein-Juristen in Bonn - Minister Schneider will das Stand AG wo notwendig korrigieren ...

 

 

 

 

 

 

 

Ja, wir brauchen eine Strahlenschutz-Ingenieurin für die Strahlenschutz-Hülle des Endlager-Behälters.

 

 

Aber Strahlenschutz-Ingenieure können doch die Architektur von Endlager-Bauwerken NICHT planen !!!

 

Deshalb mussten Sie diese Leistungen zukaufen, - damit die BGE endlich mal was richtig macht !!!

 

 

Sie hatten ja mal einen lichten Moment zur BGE Rettung - warum sind Sie dann wieder eingeknickt ?

 

 

 

 

 

 

 

 

 

 

 

Was braucht DBHD um die Ausführungs-Planung zu machen ??

____________________________________________________

 

Entwurf und NaPro DE sind geleistet, nun Ausführungs-Planung.

 

 

 

DBHD braucht eine offizielle Anerkennung als Endlager-Planungs-Entwurf, weil

jeder Zulieferer fragt : Ja, wann soll das denn gebaut werden ? Ist für Endlager

nicht allein die BGE mbH zuständig ? – Die NaPro BRD Anerkennung wird sehr

hilfreich sein, um die DBHD Ausführungs-Planung und Kalkulation zu erstellen.

 

DBHD braucht Mittel – Geld für die Entwicklung der Planung. Die Ingenieur-

Expertisen (CAD Planungen) von Redpath-Deilmann, Siemag-Tecberg, Epiroc

und Herrenknecht (und vielen Anderen) werden mehrere Millionen kosten !

Die DBHD Architektur-Planer führen diese Einzel-Firmen-Planungen logisch

zusammen und achten sehr darauf das die Schnittstellen auch passen.

 

DBHD braucht Mittel um den Endlager-Behälter ELB 01 DE und Strahlenschutz-

Hülle zur Serien-Reife entwickeln zu können. – KIT Labor in Karlsruhe ruft dafür

erhebliche Summen auf, und auch die Hersteller des Behälters und der PE-Blei

Strahlenschutzhülle haben hohe Werkzeug- und Prototypen-Kosten - und wir

werden immer wieder Strahlenschutz messen müssen. + Behälter-Zulassung.

 

DBHD braucht Mittel – die groß-skaligen Tübbing Demonstrations-Modelle

und der 1:1 Schachtausbau auf dem Firmengelände werden viel Geld kosten.

Wir haben die Absicht 12 Meter DBHD Schacht zu bauen, um den gesamten

Schachtausbau, der auch seine diversen Hersteller hat miteinander zu sehen,

zu testen und zu prüfen.

 

1 von 3

 

 

 

 

DBHD braucht Mittel für ein ordentliches Firmengebäude z. B. das in Gronau,

Büro mit Halle. Das Firmen-Gebäude in Gronau ist existent und bezugsfertig.

 

DBHD braucht Mittel für Personal – Hoch qualifizierte Mitarbeiter aus den

Bereichen, Geologie, Physik, Materialwissenschaften, Gross-Loch-Bohrtech-

nik, Apparatebau Fördertechnik und Maschinenbau.

 

DBHD braucht Mittel für CAAD und Comsol Multiphysics Software mit kl.

Rechen-Cluster – Eine Comsol Lizenz allein kostet 100 TEUR – Die Thermo-

dynamik nachrechnen. + Statik, Dynamik, Fördertechnik, Strahlenschutz,

Korrosion. Und die 3D CAD Daten der Zulieferer zusammenführen.

 

Die Ausführungs-Planung wird ca. 2 Jahre Zeit in Anspruch nehmen. Dann

haben wir etwas zu zeigen was überzeugt. Die Baupläne, Kalkulation und die

1:1 Demonstrationsmodelle. – Nächste Entscheidung auf Basis einer sehr

seriösen Machbarkeits-Untersuchung, - der DBHD Ausführungs-Planung.

 

DBHD hat 2 Lizenz-Kaufverträge vorbereitet. – Einerseits ist das die Zahlung für

14 Jahre ! Entwurf und Entwicklung ! – Andererseits werden wir diese Millionen

sofort wieder für die Finanzierung der DBHD Ausführungs-Planung verwenden.

 

DBHD braucht Mittel um mit den potentiellen Standorten zu interagieren. Die

Menschen vor Ort werden nur akzeptieren was Sie auch verstehen können.

 

Mit den besten Grüssen aus dem Ruhrgebiet in die gesamte Republik

Volker Goebel 59 J. – Dipl.-Ing. Architektur – Industriemeister Metall

 

2 von 3

 

 

 

 

 

DBHD hat gezeigt das sicheres Endlager möglich ist. - Dauerte 14 J.

 

Wir stehen zu den Kriterien : Tief, unter den Grundwasserleitern,

deshalb trocken, gasdichter Verschluss im Steinsalz und Nachweis

ewiger Unterkritikalität unter Endlager-Umgebungs-Bedingungen.

 

DBHD ist Generation 2 – wir setzten uns inhaltlich ganz deutlich

von der Endlager-Generation 1 ab, die immer : un-tief, deshalb

nass, und weder gasdicht verschließbar, noch mit Nachweis der

Unterkritikalität blieb.

 

DBHD hat das 79 Jahre alte Baurätsel gelöst ! Mit dem uralten

Wissen der Architektur-Planer, durch harte Deduktion auf das

Wesentliche und Konstruktions-Ideen-Vorschlägen die aus der

Analyse der bisherigen Baukatastrophen genährt wurde. – Wir

haben die Arbeitsstände immer weltweit versendet, und von

der Kritik der Fachleute aus aller Welt hat DBHD sehr profitiert.

 

Bei uns haben die Physiker, Ingenieure und Architekturplaner

das sagen – und nicht Leute die nur Stellen-Titel haben, aber

keinerlei Ausbildung !! für eine komplexe Bauwerks-Planung.

 

Ja, die Resultate der Forschungs- Entwicklungs- und Planungs-

tätigkeit sind manchmal überraschend, und wir vertreten die

Arbeits-Ergebnisse auch ohne Rücksicht auf ver-altete Denk-

und Handlungsmuster – die heutige Bergbau-Technologie gibt

uns Möglichkeiten, die es zu Beginn der Endlager-Entwicklung

so noch nicht gab.

 

3 von 3

 

 

 

 

 

 

 

 

 

 

 

 

 

 

 

 

 

 

 

 

 

 

Karte Sachsen zur Endlagersuche: Mögliche Standorte erscheinen blau. Weiß, gelb und orange sind raus, bei grauer Markierung steht eine endgültige Entscheidung noch aus. 

 

https://www.tag24.de/sachsen/erzgebirge-und-lausitz-im-fokus-buergermeister-empoert-ueber-endlager-wahl-3435543

 

 

 

 

 

 

 

 

 

 

Ing. Goebel war nicht in der Lage eine Endlager-Methodik für Festgesteine zu entwickeln !

 

 

Jedes Festgestein war mal flüssig, und zog sich beim erkalten zusammen - daraus entstanden

 

kleinräumige Klüfte, die heute mit Sediment-Staub geschlossen sind - Aber Endlager leiden

 

unter Gasbildung und Gasdruck aus Korrosion. In Festgestein ist kein Verschluss möglich und

 

die Klüfte sind überall, und werden später von unten aufgepresst - und schon fliesst wieder

 

Wasser rein. - Baulich sind Hohlräume im Festgestein nur mit Spreng-Vortrieb möglich, was

 

die Klüfte schon mal schön auflockert - Es wird NIE sichere Endlager im Festgestein geben !

 

 

 

 

 

 

 

 

 

 

 

 

 

 

>>> NaPro BRD Entwurf von BMUKN ist 50 % LEER und 50 % GELOGEN

 

 

 

 

 

 
Hallo BMUKN,
 
 
BMUKN NaPro Entwurf ist 50 % Leer, weil
 
alle Forderungen aus Artikel 12 EU Gesetz
 
2011/70/Euratom in KEINER Weise erfüllt
 
sind - "Konzepte, Pläne, Kosten, Zeit"
 
BMU, BMUV hat 14 J. mit Nebenschau-
 
plätzen vertrödelt. SIE SIND UNFÄHIG !
 
 
 
DBHD hat ein NaPro DE vorgelegt, das alle 
 
Forderungen aus dem EU Gesetz erfüllt.
 
 
 
BMUKN ist 50 % GELOGEN, weil Ihr Konrad
 
dort als Endlager nennt - WAS GELOGEN IST.
 
Das Land Niedersachen sperrt sich zu Recht,
 
und die ESK hat festgestellt das es in der BRD
 
KEIN Gebinde gibt das dort eingelagert werden
 
darf. - Der Schacht lässt 85.000 Liter Wasser 
 
pro Tag rein. - Konrad kann kein Endlager sein.
 
 
Unter Führung BMUKN hat die Endlager Branche
 
die denkbar schlechteste Entwicklung genommen
 
und hängt immer noch auf der untauglichen Bau-
 
weise Generation 1 fest.
 
 
Entnehmen Sie das "ordentliche NaPro"
 
der Anlage. - Kommen Sie zur Vernunft.
 
 
Grussloss
 
 
Volker Goebel
 
Dipl.-Ing. Architektur
 
Endlager-Planer 14 J.
 
 
 
.

 

 

 

 

 

 

 

Die gesamte Fachwelt im Bereich Endlager liest mit und wundert sich über Deutschland :

 

 

Druckversion | Sitemap
Volker Goebel / Dipl.-Ing. / Tel +49 157 546 624 34 DE / info@ing-goebel.com / ingenieur.goebel@gmail.com - Konnte am 08.03.2025 und 14.04.2025 nach 14 Jahren !!! eine vollständige Endlager-Planung nachweisen.